
Ürün Detayı
Anasayfa
/
Ürünler
Ürün adını veya biliyorsanız sipariş numarasını yazarak ara butonuna basınız.

Sipariş No:
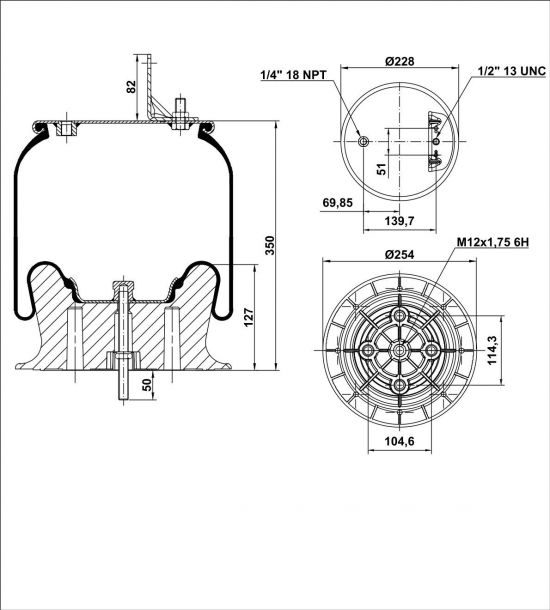
60030229.692
Smartairsprings No:
ST 8829.CP
Komple (Pistonlu) Körükler
OEM
NAVISTAR
FLT1R12615
VOLVO
8079902
VOLVO
3934599
VOLVO
20733034
VOLVO
8097092
VOLVO
20505399
VOLVO
8084296
Cross
CONTITECH
9 10-16 P 449
FIRESTONE
W01-358-8829
FIRESTONE
1T15M-6
GOODYEAR
1R12-615 / -405
VIBRACOUSTIC
1DK23K-8829
Araç Modeli
VOLVO VN Rear Spring (Mack Maxlite 40EZ), VOLVO VT Rear Spring (Mack Maxlite 40EZ), VOLVO B10, Volvo tbd, MACK tbd



80*120*83
28
Belirtilmemiş